Наименование и артикул
Цена за шт.
Количество
Калужская
ежедневно 9:00-19:00Наименование и артикул
Цена за шт.
Количество
Код к выдаче
Наличие
Цена за шт.
Количество
Сумма
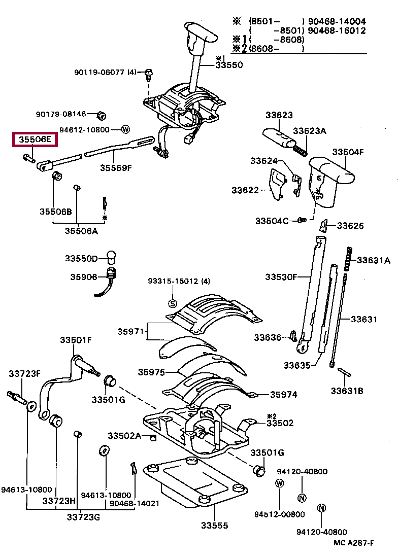
PIN, W/HOLE (FOR MANUAL VALVE LEVER)
Результаты поиска по номеру 9024008054
Наличный расчет
Вы можете оплатить деталь наличными курьеру при получении, либо менеджеру при самовывозе из офиса.
Безналичный расчет
Вы можете затребовать счет на безналичную оплату по телефону или электронной почте. Доставка детали осуществляется после 100%-й предоплаты, после поступления денег на наш расчетный счет.
Предоплата
Необходимо уточнить у менеджера.
G114D47021
5212848020J1
5310005010J0
3123035081
9046707107B1
5212848020G0
9098111010
A1678852506
6776160050A1
71598S7A000
117110H03003
14721P8EA00
9091901180
117013108001
9009120514
9010114041
0829399901HE
5177360160B1
1547278011
8934133200E1
5892033041A0
6873033020
8504442050B0
8966160U70
9091602499
9098113099
SU00302981
8934805051A0
7107133J10C2
5851060V20C0
SU00304324
8215206P10
9024008054
Наш менеджер перезвонит в ближайшее время

