Оригинальные запчасти Тойота

0

Наименование и артикул

Цена за шт.

Количество

Итого: 0 руб.

Оригинальные запчасти Тойота

0Корзина

Наименование и артикул

Цена за шт.

Количество

Итого: 0 руб.
> Запчасти PREVIA/TARAGO > Поиск по каталогу
Запчасти
Аксессуары
Масло
Расходники
Каталог
Шины, диски

Кресла TOYOTA PREVIA/TARAGO, 2000/02 - 2003/04, 2,4 литра, 16 клапанов DOHC, EFI, DELUX SPECIFICATION, ACR30, автомат

Каталог

Ближний Восток

Модель

PREVIA/TARAGO

Двигатель

2,4 литра, 16 клапанов DOHC, EFI

Класс

DELUX SPECIFICATION

Фрейм

ACR30

Трансмиссия

автомат

Опции

левый руль 8-местный Европа
  • 1
  • 2
  • 3
  • 4
  • 5
  • 6
+
+
+
+
+
+
+
+
+
+
+
+
+
+
+
+
+
+
+
+
+
+
+
+
+
+
+
+
+
+
+
+
+
+
+
+

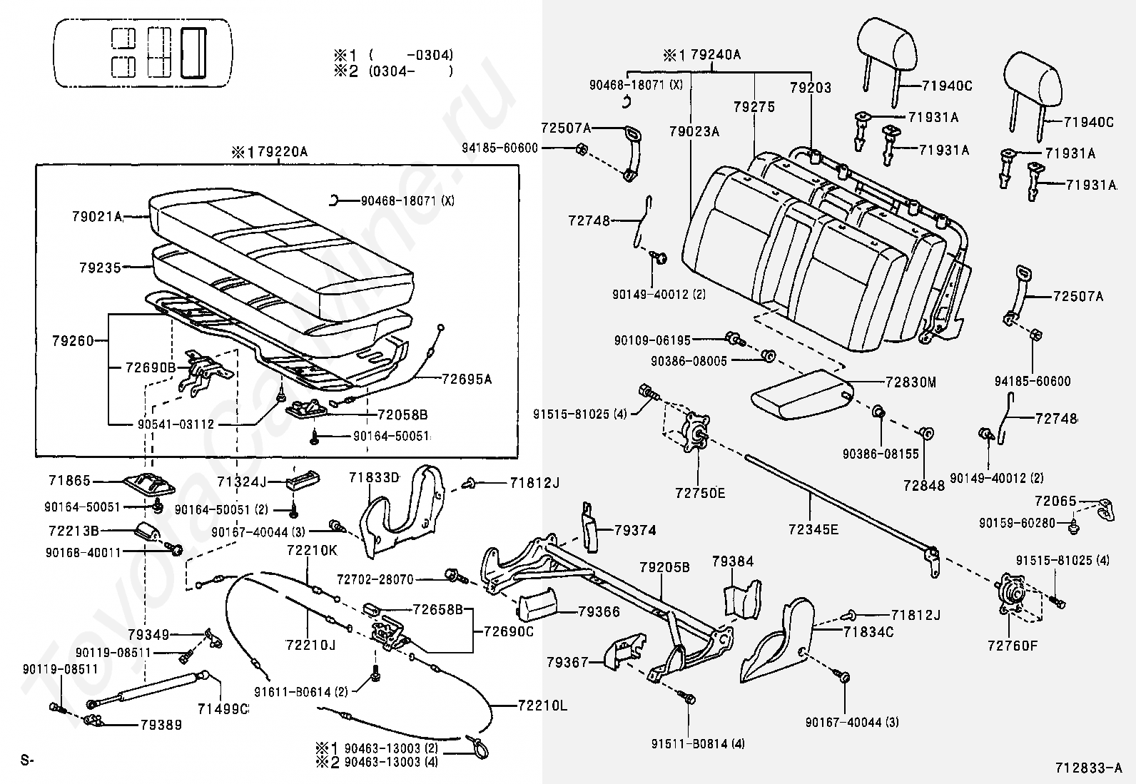
Код

Описание

71011S

FRAME SUB-ASSY, FRONT SEAT CUSHION, RH

71012S

FRAME SUB-ASSY, FRONT SEAT CUSHION, LH

71071S

COVER, FRONT SEAT CUSHION, RH(FOR SEPARATE TYPE)

71072S

COVER, FRONT SEAT CUSHION, LH(FOR SEPARATE TYPE)

71073S

COVER, FRONT SEAT BACK, RH(FOR SEPARATE TYPE)

71074S

COVER, FRONT SEAT BACK, LH(FOR SEPARATE TYPE)

71410S

CUSHION ASSY, FRONT SEAT, RH(FOR SEPARATE TYPE)

71420S

CUSHION ASSY, FRONT SEAT, LH (FOR SEPARATE TYPE)

71430S

BACK ASSY, FRONT SEAT, RH(FOR SEPARATE TYPE)

71440S

BACK ASSY, FRONT SEAT, LH(FOR SEPARATE TYPE)

71511S

PAD, FRONT SEAT CUSHION, RH(FOR SEPARATE TYPE)

71512S

PAD, FRONT SEAT CUSHION, LH (FOR SEPARATE TYPE)

71537A

PROTECTOR, FRONT SEAT CUSHION

71551S

PAD, FRONT SEAT BACK, RH(FOR SEPARATE TYPE)

71552S

PAD, FRONT SEAT BACK, LH(FOR SEPARATE TYPE)

71630S

SPRING ASSY, FRONT SEAT BACK, RH(FOR SEPARATE TYPE)

71640S

SPRING ASSY, FRONT SEAT BACK, LH(FOR SEPARATE TYPE)

71910A

HEADREST ASSY, FRONT SEAT

71931

SUPPORT, FRONT SEAT HEADREST

72125A

COVER, SEAT TRACK, UPPER REAR

72125D

COVER, SEAT TRACK, UPPER REAR NO.2

72848A

CAP, SEAT ARMREST, NO.1

72849B

CAP, SEAT ARMREST, NO.1

72880A

ARMREST ASSY, FRONT SEAT, INNER RH

72890A

ARMREST ASSY, FRONT SEAT, INNER LH

9011910911

Крепеж

9151581025

Крепеж

9353055016

Крепеж

+
+
+
+
+
+
+
+
+
+
+
+
+
+
+
+
+
+
+
+
+
+
+
+

Код

Описание

71130

LEG ASSY, FRONT SEAT, RH

71130A

CLIP, FRONT SEAT LEG

71139A

COVER, FRONT SEAT LEG, NO.1

71139B

COVER, FRONT SEAT LEG, NO.2

71140

LEG ASSY, FRONT SEAT, LH

71811C

COVER, RECLINING ADJUSTER, RH

71811F

COVER, RECLINING ADJUSTER, RH

71812C

COVER, RECLINING ADJUSTER, LH

71812E

COVER, RECLINING ADJUSTER, LH

71875A

COVER, RECLINING ADJUSTER INSIDE, RH

71875G

COVER, RECLINING ADJUSTER INSIDE, RH (FOR LH SEAT)

71876

COVER, RECLINING ADJUSTER INSIDE, LH

71876A

COVER, RECLINING ADJUSTER INSIDE, LH

72137

COVER, SEAT TRACK, OUTER RH

72137B

COVER, SEAT TRACK, RH

72138

COVER, SEAT TRACK, OUTER LH

72138B

COVER, SEAT TRACK, LH

72211

HANDLE, SEAT TRACK ADJUSTING

72211B

HANDLE, SEAT TRACK ADJUSTING

72457B

KNOB, VERTICAL SEAT ADJUSTER, RH

72457D

KNOB, VERTICAL SEAT ADJUSTER, LH

72525A

HANDLE, RECLINING ADJUSTER RELEASE, RH

72526

HANDLE, RECLINING ADJUSTER RELEASE, LH

9011910409

Крепеж

9011910799

Крепеж

9016740044

Крепеж

9052001006

Крепеж

9056115007

Крепеж

+
+
+
+
+
+
+
+
+
+
+
+
+
+
+
+
+
+
+
+
+
+
+

Код

Описание

66990

HOLDER ASSY, CUP

71877C

COVER, REAR SEAT ARMREST HOLE LH

71931B

SUPPORT ASSY, REAR NO.1 SEAT HEADREST

71940A

HEADREST ASSY, REAR SEAT

72830

ARMREST ASSY, REAR SEAT, CENTER

72830D

ARMREST ASSY, REAR SEAT, RH

72840

ARMREST ASSY, REAR NO.1 SEAT, LH

7371328010

Крепеж

79011A

COVER SUB-ASSY, NO.1 SEAT CUSHION

79013

COVER SUB-ASSY, NO.1 SEAT BACK, RH

79014

COVER SUB-ASSY, NO.1 SEAT BACK, LH

79135

PAD, NO.1 SEAT CUSHION

79140

BACK ASSY, NO.1 SEAT, RH

79150

BACK ASSY, NO.1 SEAT, LH

79160

SPRING ASSY, NO.1 SEAT CUSHION

79175E

PAD, NO.1 SEAT BACK, RH

79180A

SPRING ASSY, NO.1 SEAT BACK, RH

79185

PAD, NO.1 SEAT BACK, LH

79190A

SPRING ASSY, NO.1 SEAT BACK, LH

9010906195

Крепеж

9010910089

Крепеж

9020115015

Крепеж

9038608005

Крепеж

9038608155

Крепеж

9095001744

Крепеж

9151581025

Крепеж

9454201400

Крепеж

+
+
+
+
+
+
+
+
+
+
+
+
+
+
+
+
+
+
+
+
+
+
+
+

Код

Описание

71397D

STOPPER, REAR SEAT

71695C

PROTECTOR, REAR SEAT, NO.1

71833A

COVER, REAR SEAT RECLINING, NO.1 RH

71834A

COVER, REAR SEAT RECLINING, NO.1 LH

71875B

COVER, RECLINING ADJUSTER INSIDE, RH

71876B

COVER, RECLINING ADJUSTER INSIDE, LH

71879A

COVER, REAR SEAT RECLINING, INNER LH

72210

CABLE ASSY, SEAT TRACK CONTROL

72210B

CABLE ASSY, SEAT TRACK CONTROL, RH

72210F

CABLE ASSY, SEAT TRACK CONTROL

72345A

PIPE, RECLINING CONNECTING

72345B

PIPE, RECLINING CONNECTING

72525B

HANDLE, RECLINING ADJUSTER RELEASE, RH

72526A

HANDLE, RECLINING ADJUSTER RELEASE, LH

72630B

ADJUSTER ASSY, REAR NO.1 SEAT, INNER RH

72730A

ADJUSTER ASSY, REAR SEAT RECLINING, RH

72740A

ADJUSTER ASSY, REAR SEAT RECLINING, LH

79956

COVER, REAR SEAT LEG BRACKET

79965

COVER, REAR SEAT LEG SIDE, NO.2

79966

COVER, REAR SEAT LEG SIDE, NO.3

79967

COVER, REAR SEAT LEG SIDE, NO.4

79968B

CLIP

9016740044

Крепеж

9016840011

Крепеж

9151581025

Крепеж

9161261025

Крепеж

9324955006

Крепеж

9418561000

Крепеж

+
+
+
+
+
+
+
+
+
+
+
+
+
+
+
+
+
+
+
+
+
+
+
+
+
+
+
+
+
+
+
+
+
+
+
+
+
+
+
+
+
+
+
+
+
+
+

Код

Описание

71324J

CUSHION, REAR SEAT

71499C

DAMPER, REAR SEAT CUSHION SPRING

71812J

CLIP, REAR SEAT COVER

71833D

COVER REAR SEAT RECLINING, RH

71834C

COVER, REAR SEAT RECLINING, NO.3 LH

71865

BEZEL, REAR SEAT COVER, NO.1

71931A

SUPPORT, REAR SEAT HEADREST

71940C

HEADREST ASSY, REAR NO.1 SEAT, RH

72058B

LEVER SUB-ASSY, REAR SEAT LOCK CONTROL, LH

72065

BELT SUB-ASSY, REAR SEAT HOOK, RH

72210J

CABLE ASSY, SEAT TRACK CONTROL

72210K

CABLE ASSY, SEAT TRACK CONTROL

72210L

CABLE ASSY, SEAT TRACK CONTROL

72213B

KNOB, SEAT TRACK ADJUSTING HANDLE, RH

72345E

PIPE, RECLINING CONNECTING

72507A

HANDLE SUB-ASSY, RECLINING RELEASE

72658B

KNOB, REAR SEAT LOCK HANDLE

72690B

LEVER ASSY, SEAT CUSHION LOCK RELEASE, RH

72690C

LEVER ASSY, SEAT CUSHION LOCK RELEASE, LH

72695A

CABLE, REAR SEAT LOCK CONTROL

7270228070

Крепеж

72748

WIRE, REAR SEAT RECLINING CONTROL

72750E

ADJUSTER ASSY, REAR NO.2 SEAT RECLINING, OUTER RH

72760F

ADJUSTER ASSY, REAR NO.2 SEAT RECLINING, OUTER LH

72830M

ARMREST ASSY, SEAT CENTER, RH

72848

CAP, NO.3 SEAT ARMREST

79021A

COVER SUB-ASSY, NO.2 SEAT CUSHION

79023A

COVER SUB-ASSY, NO.2 SEAT BACK

79203

FRAME SUB-ASSY, NO.2 SEAT BACK

79205B

LEG SUB-ASSY, NO.2 SEAT, RH

79220A

CUSHION ASSY, NO.2 SEAT

79235

PAD, NO.2 SEAT CUSHION

79240A

BACK ASSY, NO.2 SEAT

79260

SPRING ASSY, NO.2 SEAT CUSHION

79275

PAD, NO.2 SEAT BACK

79349

PLATE, NO.3 SEAT CUSHION

79366

COVER, NO.3 SEAT LEG, NO.1

79367

COVER, NO.3 SEAT LEG, NO.2

79374

COVER, NO.3 SEAT LEG, REAR RH

79384

COVER, NO.3 SEAT LEG, REAR LH

79389

BRACKET, NO.3 SEAT CUSHION, FRONT LH

9010906195

Крепеж

9011908511

Крепеж

9014940012

Крепеж

9015960280

Крепеж

9016450051

Крепеж

9016740044

Крепеж

9016840011

Крепеж

9038608005

Крепеж

9038608155

Крепеж

9046313003

Крепеж

9046818071

Крепеж

9054103112

Крепеж

91511B0814

Крепеж

9151581025

Крепеж

91611B0614

Крепеж

9418560600

Крепеж

+
+
+
+
+
+
+
+
+
+
+
+

Код

Описание

5854

переход к группе запчастей

71397C

STOPPER, REAR SEAT

71695A

PROTECTOR, REAR SEAT, NO.1 RH

71695B

PROTECTOR, REAR SEAT, NO.1 LH

72129

PROTECTOR, SEAT TRACK LOWER RAIL, NO.1

72129A

PROTECTOR, SEAT TRACK LOWER RAIL, NO.2

72160

TRACK ASSY, REAR SEAT, OUTER RH

72160B

TRACK ASSY, REAR NO.1 SEAT, RH

72170

TRACK ASSY, REAR SEAT, OUTER LH

72170B

TRACK ASSY, REAR NO.1 SEAT, LH

9011910409

Крепеж

Товар добавлен в корзину!

Оформить заказ Продолжить покупку

Заполните форму

Наш менеджер перезвонит в ближайшее время

Введите ваше имя

Введите ваш телефон