Оригинальные запчасти Тойота

0

Наименование и артикул

Цена за шт.

Количество

Итого: 0 руб.

Оригинальные запчасти Тойота

0Корзина

Наименование и артикул

Цена за шт.

Количество

Итого: 0 руб.
> Запчасти DYNA/TOYOACE > Поиск по каталогу
Запчасти
Аксессуары
Масло
Расходники
Каталог
Шины, диски

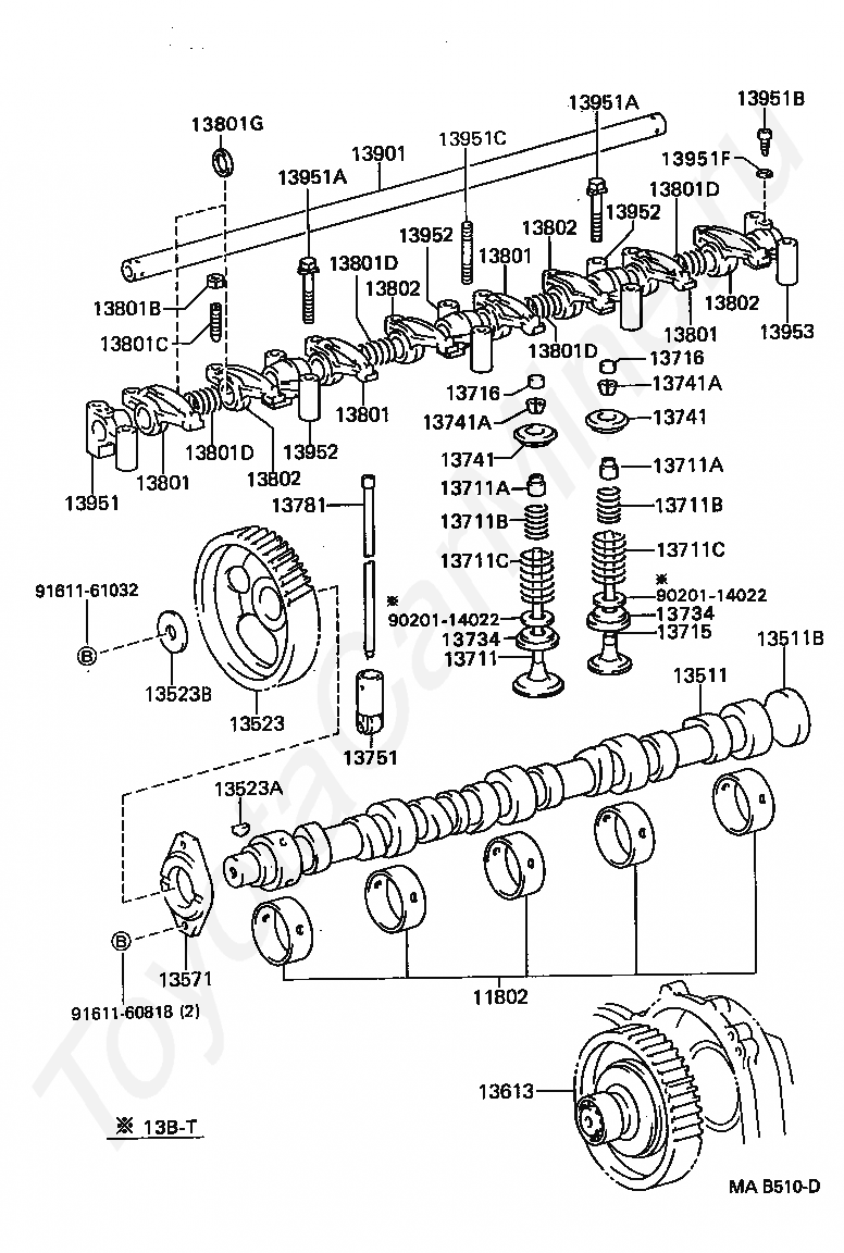
Распредвал, клапаны, ремень TOYOTA DYNA/TOYOACE, 1989/10 - 1992/10, 3,7 литра, дизель, TRUCK (EXCLUDING DUMP TRUCK), BU72, МКПП, 5 скоростей

Каталог

Япония

Модель

DYNA/TOYOACE

Двигатель

3,7 литра, дизель

Кузов

TRUCK (EXCLUDING DUMP TRUCK)

Фрейм

BU72

Трансмиссия

МКПП, 5 скоростей

Опции

DYNA HIGH FLAT DECK OPENING ON THREE SIDES 3-местный DOUBLE TIRE 20T DSL CBU
+
+
+
+
+
+
+
+
+
+
+
+
+
+
+
+
+
+
+
+
+
+
+
+
+
+
+
+
+
+
+
+
+
+
+
+
+
+
+
+
+
+
+
+
+
+
+
+
+
+
+
+

Код

Описание

11802

BEARING SET, CAMSHAFT

13511

CAMSHAFT

13511B

PLUG, EXPANSION(FOR CAMSHAFT)

13523

GEAR OR SPROCKET, CAMSHAFT TIMING

13523A

KEY, WOODRUFF(FOR TIMING GEAR)

13523B

WASHER, PLATE(FOR TIMING GEAR)

13571

PLATE, CAMSHAFT THRUST

13613

GEAR, INJECTION PUMP DRIVE

13711

VALVE, INTAKE

13711A

SEAL OR RING, O(FOR VALVE STEM OIL)

13711B

SPRING, COMPRESSION(FOR INNER)

13711C

SPRING, COMPRESSION(FOR OUTER)

13715

VALVE, EXHAUST

13716

CAP, VALVE STEM

13734

SEAT, VALVE SPRING

13741

RETAINER, VALVE SPRING

13741A

LOCK, VALVE SPRING RETAINER

13751

LIFTER, VALVE

13781

ROD, VALVE PUSH

13801

ARM SUB-ASSY, VALVE ROCKER, NO.1

13801B

NUT, HEXAGON(FOR VALVE ADJUSTING)

13801C

SCREW, VALVE ADJUSTING

13801D

SPRING, COMPRESSION(FOR ROCKER ARM)

13801G

WASHER, PLATE(FOR VALVE ROCKER ARM)

13802

ARM SUB-ASSY, VALVE ROCKER, NO.2

13901

SHAFT SUB-ASSY, VALVE ROCKER, NO.1

13951

SUPPORT, VALVE ROCKER, NO.1

13951A

BOLT(FOR ROCKER SUPPORT SET)

13951B

SCREW OR BOLT(FOR VALVE ROCKER SHAFT LOCK)

13951C

BOLT, STUD(FOR ROCKER SUPPORT)

13951F

WASHER, PLATE(FOR VALVE ROCKER SUPPORT)

13952

SUPPORT, VALVE ROCKER, NO.2

13953

SUPPORT, VALVE ROCKER, NO.3

9020114022

Крепеж

9161160818

Крепеж

9161161032

Крепеж

Товар добавлен в корзину!

Оформить заказ Продолжить покупку

Заполните форму

Наш менеджер перезвонит в ближайшее время

Введите ваше имя

Введите ваш телефон