Оригинальные запчасти Тойота

0

Наименование и артикул

Цена за шт.

Количество

Итого: 0 руб.

Оригинальные запчасти Тойота

0Корзина

Наименование и артикул

Цена за шт.

Количество

Итого: 0 руб.
> Запчасти COROLLA > Поиск по каталогу

Коробка передач TOYOTA COROLLA (TUP), 2020/11 - 2025, 1500CC 12-VALVE DOHC, MZEA11, вариатор

Каталог

Ближний Восток

Модель

COROLLA (TUP)

Двигатель

1500CC 12-VALVE DOHC

Фрейм

MZEA11

Трансмиссия

вариатор

Опции

левый руль N(MODEL MARK) Европа 714W
  • 1
  • 2
  • 3
  • 4
  • 5
+
+
+
+
+
+
+
+
+
+
+
+
+
+
+
+

Код

Описание

1603

переход к группе запчастей

30400

TRANSAXLE ASSY, CONTINUOUSLY VARIABLE

30400J

PLUG, TRANSAXLE HOLE

30400K

GASKET, TRANSAXLE HOLE PLUG

33493C

COOLER, TRANSMISSION OIL

3402

переход к группе запчастей

35015Y

COVER SUB-ASSY, TRANSAXLE SIDE

35125E

TUBE, OVERFLOW(CVT)

35125F

PLUG, OVERFLOW(CVT)

35125G

GASKET, OVERFLOW PLUG(CVT)

35141F

PLUG, BREATHER, NO.1(CVT)

35150B

PLUG ASSY, TRANSMISSION CASE

35410J

BODY ASSY, TRANSMISSION VALVE

35441E

STRAINER, SOLENOID OIL

35506L

SEAL, OIL (FOR MANUAL VALVE LEVER SHAFT)

35572C

LEVER, TRANSMISSION CONTROL SHAFT

8401

переход к группе запчастей

8410

переход к группе запчастей

9030107019

Крепеж

9030115027

Крепеж

9030120012

Крепеж

9034118020

Крепеж

9034118086

Крепеж

9155180625

Крепеж

9155180820

Крепеж

9413000802

Крепеж

9451200800

Крепеж

+
+
+
+
+
+
+
+
+
+
+
+
+
+
+

Код

Описание

30400N

PLUG, REFILL(CVT)

30400P

GASKET, REFILL PLUG(CVT)

35165B

PLATE, TRANSMISSION CASE, NO.1

35174B

PLATE, OIL RESERVOIR LOCK

35482C

CLAMP, TEMPERATURE SENSOR

35556N

SHAFT, PARKING LOCK PAWL

35557C

PAWL, PARKING LOCK

35593A

SLEEVE, CAM GUIDE

35598B

SLEEVE, PARKING LOCK

35809

TUBE SUB-ASSY, C-2 CLUTCH PRESSURE APPLY

35882E

TUBE, DIFFERENTIAL GEAR LUBE APPLY

35896A

TUBE, SECONDARY SHAFT LUBE APPLY

39195B

DAMPER, TRANSAXLE MASS

4301

переход к группе запчастей

4302

переход к группе запчастей

82125M

WIRE, TRANSMISSION

82125Q

RING, O(FOR TRANSMISSION WIRE)

8401

переход к группе запчастей

9010506049

Крепеж

9030114019

Крепеж

9030146009

Крепеж

9050827002

Крепеж

9052048019

Крепеж

9155180612

Крепеж

9155180625

Крепеж

9155180655

Крепеж

9161160618

Крепеж

91611B0614

Крепеж

+
+
+
+
+
+
+
+
+
+
+
+
+
+
+
+
+
+
+
+
+
+
+
+
+
+
+
+
+
+
+
+
+
+
+
+
+
+

Код

Описание

28017A

STAY(FOR GEAR SHIFT FORK)

33032

GEAR SUB-ASSY, 1ST

33210A

FORK ASSY, GEAR SHIFT, NO.1

3402

переход к группе запчастей

35068E

SPRING SUB-ASSY, 1ST & REVERSE BRAKE RETURN

35075D

GEAR SUB-ASSY, FRONT PLANETARY RING

35603E

SPRING SUB-ASSY, FORWARD CLUTCH RETURN

35610A

CLUTCH ASSY, FORWARD MULTIPLE DISC

35610F

RING, SNAP (FOR FORWARD MULTIPLE DISC CLUTCH)

35610G

RING, O (FOR FORWARD MULTIPLE DISC CLUTCH)

35612D

PISTON, FORWARD CLUTCH

35623L

PISTON, REVERSE BRAKE

35623M

RING, O (FOR REVERSE BRAKE PISTON)

35633H

DISC, CLUTCH (FOR FORWARD MULTIPLE DISC CLUTCH)

35634M

PLATE, CLUTCH, NO.1(FOR FORWARD MULTIPLE DISC CLUTCH)

35635G

FLANGE, FORWARD CLUTCH

35668C

BALANCER, CLUTCH, NO.1

35671D

PLATE, BRAKE CUSHION

35676L

FLANGE, BRAKE

35681B

DISC, BRAKE, NO.1

35691B

PLATE, BRAKE, NO.1

35701L

RACE, THRUST BEARING (FOR INPUT SHAFT)

35720M

GEAR ASSY, PLANETARY

35720N

BEARING, THRUST NEEDLE ROLLER (FOR PLANETARY GEAR)

35726A

WASHER, PLANETARY RING GEAR THRUST

35782P

SPROCKET, DRIVE

4301

переход к группе запчастей

9010506362

Крепеж

9036943018

Крепеж

9037447007

Крепеж

9052099190

Крепеж

9052099191

Крепеж

+
+
+
+
+

Код

Описание

30400E

SEAL, TYPE T OIL(FOR CVT OIL PUMP)

3402

переход к группе запчастей

35145D

GASKET, TRANSAXLE CASE

35313A

GASKET, FRONT OIL PUMP COVER

35394D

MAGNET, OIL CLEANER(CVT)

9010510591

Крепеж

90105W0092

Крепеж

90105W0267

Крепеж

9010906397

Крепеж

9025010017

Крепеж

9030110008

Крепеж

9155100830

Крепеж

9155180640

Крепеж

9155180655

Крепеж

9155380830

Крепеж

+

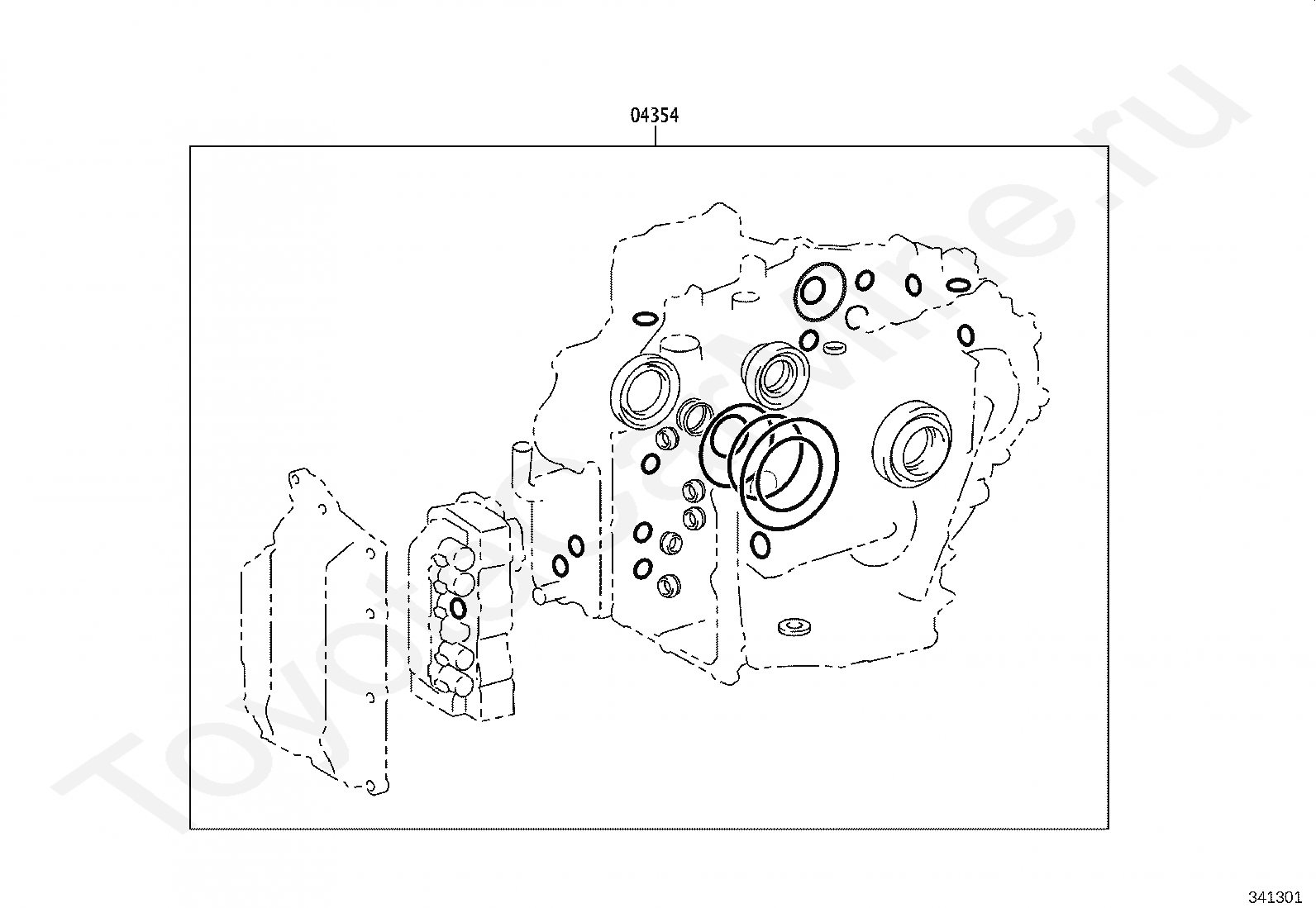
Код

Описание

04354

OVERHAUL KIT, TRANSAXLE(CVT)

Товар добавлен в корзину!

Оформить заказ Продолжить покупку

Заполните форму

Наш менеджер перезвонит в ближайшее время

Введите ваше имя

Введите ваш телефон