Оригинальные запчасти Тойота

0

Наименование и артикул

Цена за шт.

Количество

Итого: 0 руб.

Оригинальные запчасти Тойота

0Корзина

Наименование и артикул

Цена за шт.

Количество

Итого: 0 руб.
> Запчасти COASTER > Поиск по каталогу
Запчасти
Аксессуары
Масло
Расходники
Каталог
Шины, диски

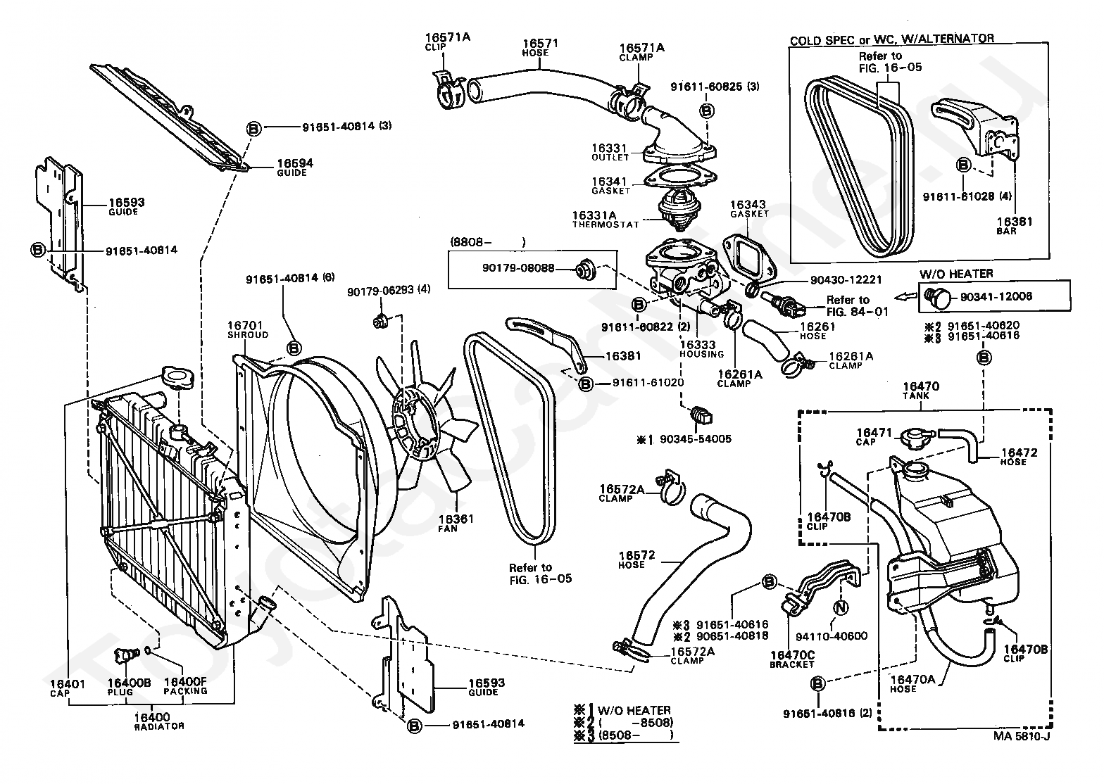
Радиатор и шланги TOYOTA COASTER, 1984/08 - 1993/01, 3,4 литра, дизель, DELUX SPECIFICATION, BB26, МКПП, 5 скоростей

Каталог

Япония

Модель

COASTER

Двигатель

3,4 литра, дизель

Класс

DELUX SPECIFICATION

Фрейм

BB26

Трансмиссия

МКПП, 5 скоростей

Опции

высокая крыша 10-местный WITHOUT COOLER COMPLETED VEHICLE
+
+
+
+
+
+
+
+
+
+
+
+
+
+
+
+
+
+
+
+
+
+
+
+
+
+
+
+
+
+
+
+

Код

Описание

1605

переход к группе запчастей

16261

HOSE, WATER BY-PASS

16261A

CLAMP OR CLIP, HOSE(FOR WATER BY-PASS HOSE)

16331

OUTLET, WATER

16331A

THERMOSTAT

16333

HOUSING, WATER OUTLET

16341

GASKET, WATER OUTLET

16343

GASKET, WATER OUTLET HOUSING

16361

FAN

16381

BAR, FAN BELT ADJUSTING

16400

RADIATOR ASSY

16400B

PLUG, RADIATOR DRAIN COCK

16400F

PACKING(FOR RADIATOR DRAIN COCK)

16401

CAP SUB-ASSY, RADIATOR

16470

TANK ASSY, RADIATOR RESERVE

16470A

HOSE OR PIPE(FOR RADIATOR RESERVE TANK)

16470B

CLAMP OR CLIP(FOR RADIATOR RESERVE TANK HOSE)

16470C

BRACKET(FOR RADIATOR RESERVE TANK)

16471

CAP SUB-ASSY, RESERVE TANK

16472

HOSE, BREATHER

16571

HOSE, RADIATOR, INLET

16571A

CLAMP OR CLIP, HOSE(FOR RADIATOR INLET)

16572

HOSE, RADIATOR, OUTLET

16572A

CLAMP OR CLIP, HOSE(FOR RADIATOR OUTLET NO.1)

16593

GUIDE, RADIATOR AIR, NO.1

16594

GUIDE, RADIATOR AIR, NO.2

16701

SHROUD SUB-ASSY, FAN

8401

переход к группе запчастей

9017906293

Крепеж

9017908088

Крепеж

9034112006

Крепеж

9034554005

Крепеж

9043012221

Крепеж

9065140818

Крепеж

9161160822

Крепеж

9161160825

Крепеж

9161161020

Крепеж

9161161028

Крепеж

9165140616

Крепеж

9165140620

Крепеж

9165140814

Крепеж

9165140816

Крепеж

9411040600

Крепеж

Товар добавлен в корзину!

Оформить заказ Продолжить покупку

Заполните форму

Наш менеджер перезвонит в ближайшее время

Введите ваше имя

Введите ваш телефон